Amplificator audio DMOS stereo final 2x100W cu TDA7293 kit de asamblare PT006

Kit-ul de amplificator Hi-Fi de calitate care funcționează în clasa AB. Datorită dimensiunilor reduse, protecției la scurtcircuit la ieșire, supraîncălzirii și posibilității de montare directă pe carcasa metalică (circuitul integrat trebuie izolat, există o tensiune de alimentare negativă pe suprafața sa de răcire. Când este conectat la un radiator legat la impamntare) se poate folosi cu siguranță în multe locuri. Atunci când amplificatorul este pornit și oprit curentul catre difuzor este minim.
Atenție , dispozitivul funcționează cu curenți și tensiuni destul de mari. Evitați atingerea tensiunii de alimentare. Nu țineți kitul în ambele mâini când este alimentat. Compania noastră nu este responsabilă pentru consecințele cauzate de manipularea necorespunzătoare. Riscurile distrugerii kitului sunt minime dacă nu conectați tensiunea de alimentare alta decât cea scrisă pe PCB (placa de circuit imprimat).
Aceasta este conexiunea recomandată pentru circuitul TDA7293 de la SGS THOMSON. Tot ceea ce este esențial este inclus în IC în sine. Atât preamplificatorul, cât și etajul de ieșire DMOS, funcția MUTE, STBY, protecție la supraîncălzire, scurtcircuit de ieșire. Condensatoarele C8 și C10 sunt așa-numitele condensatoare de filtrare și acoperă vârfurile de eșantionare; prin urmare, nu este necesar să se dimensioneze sursa de alimentare pentru o energie care nu va fi utilizată permanent. De exemplu, sunetul tobelor provoacă un consum de câteva ori mai mare din sursă decât corespunde valorii sale medii. Mai presus de toate, acești condensatori previn distorsiunea cauzată de semnale puternice din cauza căderilor excesive de tensiune din sursă. Condensatoarele C7 și C9 îmbunătățesc stabilitatea amplificatorului împotriva fluctuațiilor RF. Rezistorul R3 între bornele 2 și 14 oferă feedback negativ atât DC (stabilizează punctul de funcționare sau tensiunea DC la ieșire), astfel împreună cu legătura R2 alternând. Aceasta determină câștigul general, reduce distorsiunea și echilibrează răspunsul în frecvență al amplificatorului. Valorile date aici sunt recomandate de producător pentru a atinge cei mai buni parametri, dar pot fi modificate în anumite limite, dacă este necesar.
stereo este realizată prin instalarea a două plăci cu circuite imprimate pentru versiunea mono PT002B. Placa de circuite imprimate PT002B a fost concepută în ceea ce privește conexiunea multi-canal, astfel încât, în cazul acestei versiuni stereo, fiți primul care conectează două plăci de circuite imprimate PT002B într-o singură unitate, după cum puteți vedea în imagine.

și proprietăți. Prin urmare, există o diagramă și o defalcare a componentelor pentru un singur canal al kitului.
Ordinea de montare : 1. rezistențe 2. condensatori mici 3. blocuri de borne 4. condensatori înalte 5. TDA7293 
A: Nu intenționați să utilizați funcțiile STBY și MUTE. În acest caz, conectați intrările STBY și MUTE de pe placa de borne la ramura de alimentare pozitivă a amplificatorului – priza marcată cu „+” în cutia de borne.
B:Intenționați să utilizați caracteristicile. Pentru a le activa, solul (GND) trebuie aplicat terminalelor lor. În schimb, pentru a dezactiva ramura pozitivă (+). Acest lucru se poate face pur și simplu prin utilizarea comutatoarelor de comutare independent pentru ambele funcții sau prin activarea sau dezactivarea ambelor funcții simultan cu un singur comutator. Dacă utilizați un comutator standard cu trei pini, conectați pinul central la STBY, MUTE sau ambele simultan și un pin extrem la ramura pozitivă (+), celălalt pin extrem la masă (GND).
Vă rugăm să rețineți că conexiunea de tablă a celor două circuite imprimate nu asigură conectarea niciunui alt pin terminal. Astfel, de exemplu, sursa de alimentare trebuie să fie adusă la ambele canale (interconectați terminalele +, -, MUTE, STBY, GND este necesară o singură dată).
Disiparea suficientă a căldurii de la CI este asigurată de o placă de aluminiu cu o suprafață de 3 dm2 și o grosime de 5 mm.
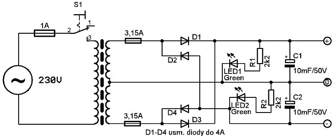
Dacă nu știți cum să faceți față unei surse de tensiune simetrice, schema de cablare recomandată testată și funcțională este inclusă aici. Transformator de preferință toroidal, optim 2x33V / 300W . Siguranțele protejează sursa de alimentare și amplificatorul de distrugere. LED-urile indică tensiunea pe ambele ramuri. De exemplu, când LED1 este oprit, știți că siguranța este arsă sau o altă problemă cu sursa de alimentare pozitivă. Condensatoarele C1 și C2 sunt condensatoare de filtrare. Valoarea minimă recomandată este de 5mF, dar valorile mai mari pot beneficia doar – mai puțin zumzet. Apoi, depinde doar de câți bani sunteți dispuși să investiți în sursă și de calitatea acesteia, deoarece prețul lor crește în comparație cu capacitatea condensatoarelor. Putem mulțumi clienților noștri că o astfel de sursă va face în curând parte din linia noastră modulară sub denumirea PT073 . SURSA NU FACE PARTE DIN KIT

Cu construcția potrivită și o sursă de alimentare suficient de dimensionată, funcționează la prima conectare. În niciun caz nu trebuie să porniți amplificatorul fără radiatorul atașat. Există riscul distrugerii sau reducerii calității reproducerii.
Despre kit: PCB 2x PT002B 58,5 x 52 mm FR4 1,5 mm o singură față


